

![]()  | 
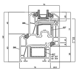
    Das KBE Fenster mit 70mm Bautiefe und 5 Kammerprofil, erfüllt alle Anforderungen an den Stand der Technik, bei gleichzeitigem sehr guten Preisleistungsverhältnis. Das Fenster hat ein klassiches Design, so dass eine flexible Nutzung in verschiedenen Bauvorhaben möglich ist. Verschieden Dekorfolien stehen zur Verfügung, so dass Sie die Farbe dem Gebäude entsprechend angepasst werden kann. Fenster von KBE in 70mm Bautiefe werden häufig von unseren Kunden für kommerzielle Gebäude und Mietshäuser gewählt, das Sie dem Investor und Bauherren das beste Preisleistungsverhältnis bietet. 
 Selbstverständlich können Zusatzoptionen und verschiedene Glasarten, bishin zur 3-fach Verglasung Anwendung finden. Gerne erstellen wir Ihnen ein Angebot. 
  | 
  
Renommiertes deutsches KBE 5 Kammerprofil gute Wärme- und Schalldämmung Wärmedurchgangskoeefizient Uf=1,3 W/m2K Zwei Aussendichtungen Ökologische Herstellung der Profile Erhältlich ist eine Vielzahl von kompatiblen Anschluss- und Kopplungsmöglichkeiten aus dem 70-mm-Systemportfolio wie z. B. Fensterbankanschlussprofile. Beschlag:
         Glas:
         Das KBE Fenster wird mit einer Griffolive ausgeliefert.  | 
    ![]()  |